

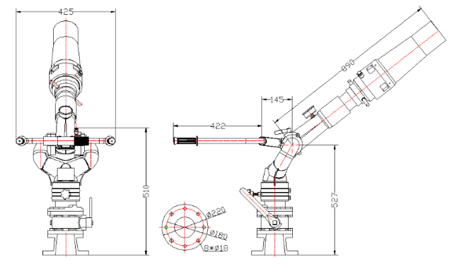
De Howo TX 4x2 schuimbluswagen met een inhoud van 7,5 kubieke meter maakt gebruik van het Howo TX-chassis met een wielbasis van 4700 mm. Hij is uitgerust met een Weichai WP4.6NQ240E62-motor en een Sinotruk HW95508STCL-versnellingsbak. Aan de voorzijde van de opbouw bevindt zich een opbergruimte voor hulpapparatuur voor brandbestrijding. Het middengedeelte bevat een watertank van 5,5 kubieke meter van koolstofstaal en een schuimtank van 2 kubieke meter van roestvrij staal. De pompkamer achterin is voorzien van een CB10/40-LC(BS) brandweerpomp, een bedieningspaneel, brandbestrijdingsapparatuur, een PL8/32 brandmonitor op de tank en twee mangaten volgens de Europese norm.
Vrachtwagenchassis:
HOWO TX, 4x2Werkcapaciteit:
5500L water +2000L foamMotorvermogen:
240 HP/ WP4.6NQ240E62Bluspomp:
China CB10/40-LC(BS)Pompdebiet:
40L/sWerkdruk:
1.0 MpaBrandmonitor:
China PL8/32Monitor Flow:
32 L/sMonitorbereik:
Water≥60 m,Foam≥48mDe Howo Model 6-wielig brandweervoertuig Het is een volledig functionele middelgrote gevechtsbrandweerwagen die een hoge mobiliteit, ruime blusreserves en diverse gevechtsmogelijkheden combineert. Qua aandrijving is hij voorzien van een Weichai-motor in combinatie met een Sinotruk-transmissie, wat zorgt voor een krachtig vermogen en een efficiënte overbrenging.
De opbouw is wetenschappelijk ontworpen, met een vooraan geplaatste apparatuurkast voor de overzichtelijke opslag van diverse brandbestrijdingsmiddelen; de centrale watertank en schuimtank hebben opslagcapaciteiten die geschikt zijn voor verschillende brandsituaties; en de pompkamer achterin is volledig uitgerust met essentiële apparatuur voor eenvoudige bediening. De brandmonitor bovenop de tank maakt nauwkeurige brandbestrijding op afstand mogelijk, waardoor effectief kan worden gereageerd op diverse branden van klasse A en klasse B.
» I. Belangrijkste kenmerken:
★ Krachtige motor van 240 pk, 100.000 km probleemloos.
★ Nieuw HOWO TX-cabinemodel, Europees design
★ AS van MAN Technology, uitermate geschikt voor Afrika.
» II. Productparameter:
|
HOWO TX 4x2 schuimwaterbrandweerwagen |
|||
|
Algemeen |
Arbeidscapaciteit |
5500L watertank, 2000L schuimtank |
|
|
Vrachtwagenchassis |
HOWO TX240 |
||
|
Motorvermogen |
240 pk / WP4.6NQ240E62 |
||
|
Brandweerpomp |
CB10/40-LC(BS) |
||
|
Chassis |
Aandrijftype |
4X2 |
|
|
Overdragen |
SINOTRUK HW95508STCL 8-versnellingsbak, handgeschakeld |
||
|
Wielbasis |
4700 mm |
||
|
Band |
295/80R22.5 18PR, 6+1 wielen |
||
|
Brandweerpomp |
Model |
CB10/40-LC(BS) |
|
|
Druk |
1 MPa |
||
|
Maximale werkdruk |
1,380 MPa |
||
|
Maximale toelaatbare inlaatdruk |
0,4 MPa |
||
|
Flux |
40 l/s |
||
|
Maximale zuighoogte |
7m |
||
|
Nominale snelheid |
3300 tpm |
||
|
Snelheidsverhouding |
1:1.542 |
||
|
Schuimwaterdoseermixer |
Model |
PH64-RS |
|
|
Mengverhouding |
6% |
||
|
Werkdrukbereik |
0,6 ~ 1,4 MPa |
||
|
Stroombereik |
16 ~ 64 l/s |
||
|
Geschikte categorieën schuimende vloeistoffen |
Categorie B |
||
|
Brandmonitor |
Model |
PL8/32 |
|
|
Stroom |
32 l/s |
||
|
Nominale werkdruk |
0,8 MPa |
||
|
Bereik |
Water |
≥ 6 0m |
|
|
Schuim |
≥ 48m |
||
|
Pitch rotatie |
- 45 ~ +70° |
||
|
Horizontale rotatie |
0 ~ 360° |
||
|
Elektronisch alarm |
Elektronisch alarm |
LY CJB-100-C24 / 1,2 m lang |
|
|
Standaardconfiguratie |
Alle standaard accessoires: brandslang, filter, koppeling, sleutel, water-/schuimpistool, basisgereedschapset, Engelstalige handleiding… |
||
Centraal vloeistoftanksysteem :
* Watertank: 5,5 kubieke meter inhoud, gemaakt van koolstofstaal met interne anticorrosiebehandeling, gebruikt voor de opslag van bluswater.
* Schuimtank: 2 kubieke meter inhoud, gemaakt van corrosiebestendig roestvrij staal, gebruikt voor het opslaan van schuimblusmiddel.
* Totale vloeistofcapaciteit: 7,5 kubieke meter (water en schuimoplossing), geschikt voor onafhankelijke of gecombineerde schuimbrandbestrijding.
» III. Brandpompsysteem:
|
Brandpompmodel |
Druk |
Maximale werkdruk |
Flux |
Snelheidsverhouding |
|
CB10/40-LC(BS) |
1,0 MPa |
1,380 MPa |
40 l/s |
1:1.542 |
Geïntegreerd bedieningspaneel: Het paneelontwerp is intuïtief en integreert:
• Geïllustreerde handleiding: Geeft duidelijk de bedieningsprocedures, voorzorgsmaatregelen en het werkingsprincipe van de brandpomp in het watercircuit weer.
• Bewakingsinstrumenten: Omvat drukmeters, vacuümmeters, schuimniveaumeters, waterniveaumeters, toerentellers, enz., die de operationele status van het systeem in realtime weergeven.
• Bedieningsknoppen: Centraal geplaatste bedieningsschakelaars voor de hoofdschakelaar, vacuümpomp, niveauweergave, verlichting van de apparatuurkast, enz.
» III. Brandmonitoringsysteem:
| Brandmonitor model | Stroom | Bereik | Nominale druk | Pitch Rotation | Horizontale rotatie | Gewicht |
| PL8/32 | 32 l/s |
water ≥60m, schuim ≥48m |
0,80 MPa |
-45
°
~+70
°
|
0~360 ° | 23 kg |
» IV . Technisch ontwerp:
POWERSTAR R&D-afdeling voor ontwerp:
100% op maat gemaakt uiterlijk, ontwerp de capaciteit van de water- en schuimtank, de opbergbox voor brandbestrijdingsmateriaal, en ook de afmetingen van de gehele vrachtwagen kunnen worden aangepast. .
» VI Test vóór verzending:
Voordat we de HOWO 4X2 7500L schuimbrandweerwagen vanuit onze fabriek leverden, voerden we een fabrieksinspectie uit. Deze inspectie omvatte regenproeven, prestatietests van de brandweerpomp en brandmonitor, evenals een eindinspectie van het lasproces, de lak en andere aspecten.
» VII. Toepassingen: